به ما ایمیل بزنید
خبر

ساخت و نگهداری مینی بیل مکانیکی

ساخت و نگهداری مینی بیل مکانیکی


نوآوری ساخت و سازهای مینی بیل مکانیکی و نگهداری هوشمند: بدنه کوچک حامل پروژه های بزرگ


1 、 تجزیه و تحلیل ساخت مینی بیل مکانیکی: فناوری چهار بعدی تغییر شکل "جادوگر فضایی"

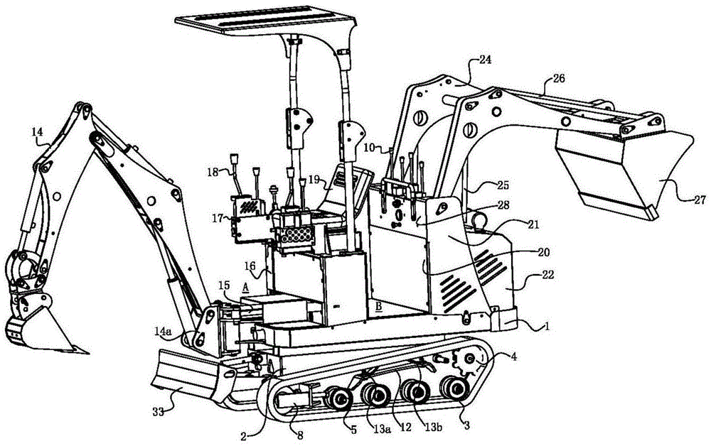
شاسی و سیستم راه رفتن:


طراحی چرخش Tails: مدلهایی مانند Sany SY18U یک ساختار "برآمدگی دم صفر" را اتخاذ می کنند ، با شعاع چرخشی تنها 0.86 متر ، چرخش 360 درجه در تونل های باریک و بدون برخورد با دیوارها امکان پذیر است. در همین زمان ، بیل مکانیکی مینی 0.8ton ما همچنین می تواند به شعاع چرخشی 1.1 متر برسد ، که امکان عملکرد رایگان و انعطاف پذیر در فضاهای باریک را فراهم می کند.


قاب آهنگ قابل تنظیم: سنج تراک را می توان آزادانه تنظیم کرد (مانند SY16C که از گسترش و انقباض 980-1350 میلی متر پشتیبانی می کند) ، و عبور از کوچه های باریک 1 متر را آسان می کند. فشار زمینی مسیر لاستیکی به اندازه 25 کیلو پاسکال کم است و از زمین آسفالت شده محافظت می کند.


یاتاقان های روان کننده خود: شاسی یانمار از یاتاقان های پلاستیکی سری Iglidur G به جای یاتاقان های سنتی توپ استفاده می کند ، که ضد رسوب ، ضد زنگ زدگی و تعمیر و نگهداری هستند و عمر خدمات را سه بار افزایش می دهد.




قدرت و سیستم هیدرولیک:


انقلاب قدرت دو حالت: بیل مکانیکی کوچک Kubota KX019 را تصویب می کند ، که از سوئیچینگ یک کلیک دیزل/برقی پشتیبانی می کند ، یک باتری 20 کیلووات ساعت دامنه 8 ساعته را فراهم می کند و سر و صدای عملیات داخلی به اندازه 66 دسی بل است.


کنترل هیدرولیک هوشمند: فناوری حساس به بار (مانند Shengang SK35SR-6) به دقت توزیع جریان 1.8 ± ، سرعت پاسخ عملکرد کامپوزیت 0.7 ثانیه و کاهش مصرف انرژی 22 ٪ می رسد.




تقویت تجهیزات کار:


ساختار مقاوم در برابر سایش: مفصل مفصل رونق بیل مکانیکی فشرده سازی تحت عملیات حرارتی کاربوریزه شده (سختی HRC55+) قرار گرفته است ، و سطل با صفحه مقاوم در برابر سایش HARDOX500 (سختی HB500) جوش داده می شود و عمر آن را 30 ٪ افزایش می دهد.


ثبت اختراع بازوی جانبی: Kubota U-15-3S به انحراف چپ 595 میلی متر/انحراف راست 350 میلی متر دست می یابد ، و حفاری های نصب شده دیواری نیازی به حرکت بدن ندارد.


دستگاه دوار ، عملکرد همه جانبه 360 درجه ، انعطاف پذیر برای سازگاری با محیط های مختلف کار.


ارتقاء تعامل رایانه انسانی


Roll Over Cab Cab: تأیید شده توسط ROPS/FOPS (مقاوم در برابر 16 تن فشار استاتیک) ، مجهز به صندلی های شناور ، صفحه لمسی LCD و مانیتورینگ نمای اطراف AI ، و 40 ٪ نقاط کور را کاهش می دهد.


2 、 تعمیر و نگهداری و نگهداری روزانه:

قانون طلایی نگهداری روزانه


مدیریت روغن هیدرولیک: از روغن هیدرولیک ضد لباس شماره 68 در تابستان و روغن ویسکوزیته کم شماره 32 در زمستان استفاده کنید. به طور مرتب تمیز بودن NAS (≤ سطح 8) را برای جلوگیری از سایش پمپ و دریچه بررسی کنید.


چرخه پر کردن کره: گریس را هر 10 روز یکبار برای بلبرینگ های چرخشی تزریق کنید و هر 4-8 ساعت یکبار چربی فشار را تزریق کنید تا نقطه لولای دستگاه کار از آن جلوگیری شود.




تکنیک پسوند عمر مؤلفه اصلی:


سیستم آهنگ: تنش را تنظیم کنید تا از شل شدن بیش از حد (دندانهای پرش) یا خیلی محکم (شتاب دادن سایش) خودداری کنید. به طور مرتب شن را تمیز کنید تا از خرابی آب بندی چرخ پشتیبانی جلوگیری شود.


نگهداری از "مثلث آهن سایش":

بازرسی کفش برای ترک/500h

دندانهای چرخدار درایو صاف هستند و بلافاصله جایگزین می شوند

نشت روغن مهر و موم چرخ باید تعمیر شود

طبق آمار گربه استورز ، 80 ٪ از خرابی شاسی توسط این سه نوع مؤلفه ایجاد می شود.


رهنمودهای مربوط به رسیدگی به شرایط کار شدید:


کار با ارتفاع زیاد: موتور توربوشارژ از مینی بیل مکانیکی از 15 ٪ جبران قدرت دارد و سیستم هیدرولیک برای جلوگیری از از دست دادن جریان مجهز به شیر جبران فشار است.

عملیات WADING WADING: در نجات سیل ایتالیایی ، HX35AZ مدرن از طریق یک ماژول مدار مهر و موم شده به عمق 0.8 متر دست یافت.


استانداردهای طولانی مدت ذخیره سازی:


در یک اتاق خشک پارک کنید ، از مسیرها پشتیبانی کنید تا فشار زمینی را کاهش دهید.

مخزن سوخت را برای جلوگیری از چگالش پر کنید ، تمام سیلندرهای هیدرولیک را برای جلوگیری از پیری مهر و موم جمع کنید.

هر 3 ماه یک بار شروع کنید تا از مرطوب شدن برد مدار جلوگیری شود.


3 、 مرز فن آوری: برق و بازسازی هوشمند بوم شناسی صنعتی

انقلاب قدرت:


باتری مدولار: HITACHI ZX55U-6EB از درایو دوگانه قدرت تجاری و باتری پشتیبانی می کند ، با شارژ سریع 2 ساعته برای دیدار با 10 ساعت کار در 6 ساعت.


آزمایش انرژی هیدروژن: HD Hyundai برای دستیابی به ساخت و ساز کربن صفر یک موتور سوخت هیدروژن (HX12) ایجاد کرده است.


نگهداری پیش بینی کننده:


تشخیص از راه دور IoT: Sany SY35U مجهز به سیستم HI Mate است که دمای روغن و داده های لرزش را در زمان واقعی تجزیه و تحلیل می کند ، با دقت هشدار گسل 92 ٪.


کمک به تعمیر و نگهداری AR: Kaise Micro بیل مکانیکی آموزش عملکرد VR را برای بیل مکانیکی های کوچک ، شبیه سازی 30 سناریو گسل و بهبود راندمان نگهداری 40 ٪ فراهم می کند.


4 、 شاهد عملی: از ترمیم خانه باستانی گرفته تا مقابله با معدن

ترمیم محل اقامت یک محقق سلسله مینگ و چینگ در Taizhou: Kubota U-15-3s بیل مکانیکی کوچک خاکبرداری یک سنگر لوله زیرزمینی را از طریق یک قوس 0.85 متر به پایان رساند و عملکرد حرکت جانبی رونق با سرعت 95 ٪ دست نخورده از دیوار باستانی محافظت می کرد.


عملیات زیرزمینی در یک معدن مس شیلی: یک بیل مکانیکی جمع و جور با یک کابین تقویت شده اصلاح شده به مدت 300 ساعت به طور مداوم و بدون هیچ گونه نقص عمل می کند و در نتیجه کاهش 23 ٪ در هزینه های بارگذاری.


ساخت و ساز شهرداری شبانه توکیو: نسخه الکتریکی خالص Sany Sy19e Mini بیل مکانیکی ساکت در 66 دسی بل کار می کند و مشکل "پنجره زمان ساخت" شهر را حل می کند.


نتیجه گیری: یک بدن کوچک آینده بزرگی را به همراه دارد

از مدل فوق العاده نازک 0.8 تنی گرفته تا جنگجو با وظیفه سنگین 4 تنی ، بیل های کوچک در حال تحول سه گانه از ساخت و سازهای دقیق ، منابع انرژی متنوع و نگهداری هوشمند هستند و دوباره پارادایم جهانی ساخت و ساز را تغییر می دهند. با فروش سالانه بیش از 3100 واحد در بازار هند و میزان نفوذ تخمین زده شده 40 ٪ برای موتورهای برقی تا سال 2025 ، این انقلاب تکنولوژیکی "استفاده از کوچک برای به دست آوردن بزرگ" برای کشف یک فرصت طلایی در بازار تریلیون دلار است.


تجربه نگهداری صنعت:

برای بیل های جمع و جور ، طراحی دقیق ستون فقرات است ، در حالی که نگهداری هوشمند خون حیات است ، صرفه جویی در هزینه های نگهداری 1 یوان و کاهش هزینه های تعمیر 10 یوان.



اخبار مرتبط
برای من پیام بگذارید
پست الکترونیک
market@everglorymachinery.com
تلفن
+86-18153282520
سیار
نشانی
جاده چانگجیانگ غربی، منطقه هوانگدائو، شهر چینگدائو، استان شاندونگ، چین
X
ما از کوکی ها استفاده می کنیم تا تجربه مرور بهتری به شما ارائه دهیم، ترافیک سایت را تجزیه و تحلیل کنیم و محتوا را شخصی سازی کنیم. با استفاده از این سایت، شما با استفاده ما از کوکی ها موافقت می کنید. سیاست حفظ حریم خصوصی
رد کردن قبول کنید